与软密封球阀相比,金属对金属密封球阀不仅具有流体阻力小、启闭快捷方便、密封性能好、使用寿命长、可靠性高、易于安装电动、气动装置等特点,而且还可以适应更广泛的温度和流体介质领域。 因此,它们广泛应用于管道运输。 硬密封球阀的球体和阀座均由金属材料制成,金属与金属材料组成的密封副通常称为硬密封。硬密封球阀的设计规范应符合API 6D的规定。 主要由阀体、阀座、球体、阀杆、驱动装置等组成。
对于100℃以上的场合,采用填料密封结构。 球体和阀座为硬密封。 阀座和阀杆的静压面采用石墨填料密封。 拆下阀杆和压盖法兰之间以及球体和支撑板之间的止推垫。 压盖法兰和支撑板均经过氮化处理。 这种结构不受使用温度限制,一般可使用到500℃左右;
对于温度小于或等于100℃的场合,采用O型圈密封结构。 固定球阀的结构大体与常规固定球阀相同(阀座和阀杆处需有注油装置)。 阀座和阀杆的静压面均采用O型圈密封,但球体和阀座为硬密封。 阀杆与压盖法兰之间以及支撑板与球体之间均采用纯聚四氟乙烯止推垫。
填料密封硬密封固定球阀的密封结构采用弹性阀座,沿阀通道截面圆周布置一组弹簧,始终保持阀座压紧球体,实现预压。收紧状态。 当阀座上的流体压力很低时,依靠弹簧的推力; 当流体压力较高时,流体压力对阀座产生的不平衡力保证密封。 阀座的压缩面积大于阀座的反向压缩面积。 弹性阀座上的流体压力产生的不平衡力将阀座向前推向球体,压缩并保持密封。 流体压力越高,越有利于该结构的密封。

- 尺寸从 2” 到 24”(DN50mm 到 DN600mm)。
- 压力等级为 150LB 至 2500LB(PN10 至 PN142)。
- RF、RTJ、BW 端。
- 氮化、ENP、镀铬、HVOF碳化钨、HVOF碳化铬、Stellite 6# 12# 20#、Inconel等。
- 驱动器选择可以是带有 ISO5211 顶部法兰的裸阀杆,适用于执行器。
- 有普通材料和特殊高合金材料可供选择。

设计标准:API 608、API 6D、ASME B16.34
法兰直径标准:ASME B16.5、ASME B16.47、ASME B16.25
面对面标准:API 6D、ASME B16.10
压力测试标准:API 598

硬密封耐磨球阀一般有两种结构设计:球体浮动式和球体固定式。 无论哪种结构,在严酷磨损条件下使用的介质中,都需要防止弹性阀座处弹簧室材料的堆积导致阀门误动作,造成扭矩异常增大或阀门“卡死”。阀门。 针对这一工况,厂家开发了自洁式耐磨球阀(浮动式)和阻尼沉降结构耐磨球阀(固定式),有效解决了这一问题。
金属硬密封球阀具有自洁的特点。 上游浮动阀座设计为具有吹扫功能的自洁通道结构。 阀门在启闭过程中,可依靠介质本身的压力,吹扫积存在弹簧和阀腔内的物料,以防止固体颗粒积聚在弹簧腔内,造成“锁死”。 》现象,影响阀门的正常工作; 密封阀座为可更换结构; 在阀杆处增加两个自润滑轴承垫,以减少阀门操作扭矩。
金属硬密封球阀的弹性阀座采用“导向”结构设计,前方设计有阻尼沉淀池,保证阀门在使用过程中能有效地将物料沉积在弹簧室前面,不影响正常使用。阀座后退。


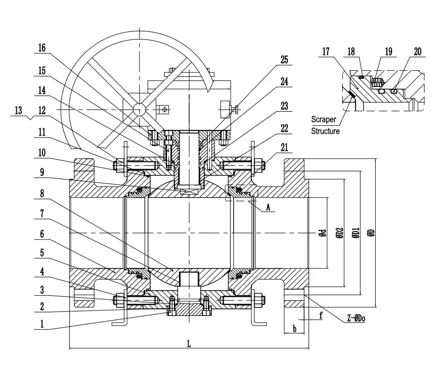
| 不。 | 零件名称 | 材料 |
| 1 | 六边形 | A193 B8M |
| 2 | 端盖 | B381 组。 F-2 |
| 3 | 垫片 | 铬镍铁合金+石墨 |
| 4 | 支撑脚 | A3+ENP |
| 5 | 身体 | B381 组。 F-2 |
| 6 | 帽子 | B381 组。 F-2 |
| 7 | 轴承 | 钛 |
| 8 | 球 | B381 组。 F-2 |
| 9 | 干 | B381 组。 F-2 |
| 10 | O 型圈 | 氟橡胶 |
| 11 | 垫片 | 铬镍铁合金+石墨 |
| 12 | 螺栓 | A193 B8M |
| 13 | 坚果 | A194 8M |
| 14 | 包装座 | B381 组。 F-2 |
| 15 | 六边形 | A193 B8M |
| 16 | 连接板 | B381 组。 F-2 |
| 17 | 座位 | B381 组。 F-2 |
| 18 | 防尘圈 | 石墨 |
| 19 | 春天 | 铬镍铁合金X750 |
| 20 | O 型圈 | 氟橡胶 |
| 21 | 耳朵 | A3+ENP |
| 22 | 轴承 | 钛 |
| 23 | 轴承 | 钛 |
| 24 | O 型圈 | 氟橡胶 |
| 25 | 包装 | 石墨 |

金属密封球阀以其独特的优势,广泛应用于煤化工、多晶硅、炼油、海洋平台、传统电厂排水系统、发电厂等领域。 在需要严密关闭、高温高压差、快速启闭以及介质含有固体颗粒的工况下,金属硬密封球阀是首选的阀门类型。 但金属硬密封球阀普遍存在使用寿命低、内泄漏、运行过程中卡阻(或卡死)等问题。 面对越来越高的磨损要求和强烈的侵蚀工况,耐磨球阀需要在硬表面处理、结构设计、元件选择、加工等方面进行优化。
