浮动球阀的球体是浮动的,在介质压力的作用下,球体能产生一定的位移并紧紧压在出口端的密封面上,保证出口端的密封。 浮动球阀结构简单,密封性能好,但球体承受工作介质的全部载荷并传递到出口密封圈。 因此,需要考虑密封圈材料是否能承受球体介质的工作载荷。 当受到高压冲击时,球可能会偏离。 这种结构一般用于中、低压球阀。
球阀的主要特点是结构紧凑、密封可靠、结构简单、维修方便,且密封面与球面常处于关闭状态,不易被介质侵蚀。 操作维护方便,适用于水、溶剂、酸、天然气等一般工作介质,也适用于氧气、过氧化氢、甲烷、乙烯等恶劣工况。 它已被广泛应用于各个行业。 球阀的阀体可以是整体式的,也可以是模块化的。

- 尺寸从 2” 到 8”(DN50mm 到 DN200mm)。
- 压力等级为 150LB 至 600LB(PN10 至 PN100)。
- RF、RTJ、BW 端。
- 氮化、ENP、镀铬、HVOF碳化钨、HVOF碳化铬、Stellite 6# 12# 20#、Inconel等。
- 驱动方式可以是手动、电动、气动,或配备ISO平台。
- 铸钢或锻钢材质

1、球阀的流阻小。 全通径球阀开启时,球通道、阀体通道、连接管直径相等并形成直径,介质几乎可以毫无损失地流动。
2、球阀旋转90°即可实现全关和全开,启闭迅速。 与同规格的闸阀、截止阀相比,球阀体积更小,重量更轻,更容易安装在管道中。
3、先进的阀座:阀座是根据多年球阀制造经验设计的,保证阀门密封,摩擦系数低,操作扭矩小,阀座材料多种,适用范围广。
4、无误开关手柄:采用平头阀杆,与手柄连接不会错位,保证手柄指示的开关状态与阀门一致。
5、锁紧装置:为防止阀门启闭误操作,在阀门全开、全关位置均有锁紧孔,确保处于正确位置。
6、阀杆防飞出结构:阀杆为底部安装,防止压力飞出。 同时,火灾后能与阀体形成金属接触,保证阀杆密封。


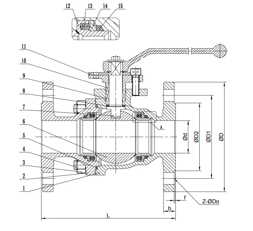
| 不。 | 零件名称 | 材料 | 
| 1 | 身体 | B367 组。 C-2 | 
| 2 | 帽子 | B367 组。 C-2 | 
| 3 | 螺栓 | A193 B8M | 
| 4 | 坚果 | A194 8M | 
| 5 | 垫片 | 钛+石墨 | 
| 6 | 球 | B381 组 F-2 + CRCWC | 
| 7 | 干 | B381 组 F-2 | 
| 8 | 止推垫圈 | PPL | 
| 9 | 包装 | 石墨 | 
| 10 | 填料压盖 | A351 CF8M | 
| 11 | 定位件 | CF8 | 
| 12 | 座位 | B381 组。 F-2+CRC | 
| 13 | 春天 | 铬镍铁合金 X 750 | 
| 14 | 弹簧座 | B381 组 F-2 | 
| 15 | 密封圈 | 石墨 | 

金属密封球阀常用于石油、化工、天然气、制药、水处理等领域。 可用于水、油、气、蒸汽等多种介质的控制,同时硬密封球阀还可用于高温、高压条件下的控制,如石油开采、化工生产、热力生产等。发电等领域。
